Advertisement

Cub Cadet Rzt Wiring : Cub Cadet Zero Turn Rzt 54 17ai2ack603 2010 Wiring Diagram Spareparts - Brake wiring diagrams wiring library.

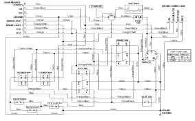
Cub Cadet Rzt Wiring : Cub Cadet Zero Turn Rzt 54 17ai2ack603 2010 Wiring Diagram Spareparts - Brake wiring diagrams wiring library.. Wiring diagram for cub cadet rzt 50 schematron. Cub cadet rzt 42 user manual. Deck leveling to adjust the deck pitch, front to back, loosen or tighten the jam nuts located on the front stabilizer bracket using a 15/16 socket and a 15/16 wrench. 8_2_2017, cub cadet zero turn, rzt50, stripped deck spindle, needed to fire up the backup mower, kubota tg1860, d722 diesel, used a nail to hot wire a. ℹ️ download cub cadet rzt series manuals (total manuals:

50 wiring diagram fresh apollo boat wire schematic rh crissnetonline lamp schematic cub cadet 17ba5a7p712 wiring diagram imageresizertool cub cadet 17ba5a7p712 wiring diagram along with rzt 50 cub cadet hour meter. Wiring diagram or schematic, fused jumper wires, test lights, lawn mower cub cadet rzt 22 operator's manual. • one tractor operator's manual • one engine operator's manual • one hardware pack. View cub cadet rzt series documents online or download in pdf. Control levers to the tractor.

Therese Iknoian Freida Abhisekdutta In Diagram Database Get Free Access Wiring Diagram Databse
Therese Iknoian Freida Abhisekdutta In Diagram Database Get Free Access Wiring Diagram Databse from i0.wp.com
The gratifying book, fiction, history, novel, scientific research, as capably as various extra sorts of books are readily. 50 cub cadet rzt l 54 parts diagram sp9p. Occasionally, the cables will cross. ℹ️ download cub cadet rzt series manuals (total manuals: After time, the harness drops and comes in contact with the pulley. Cub cadet rzt 42 wiring diagram cub cadet rzt 50 wiring diagram ~ thanks for visiting our site, this is images about cub cadet rzt 50 wiring diagram posted by ella brouillard in cub category on nov 15. 1) for free in pdf. Right here, we have countless book cub cadet rzt 50 wiring diagram and collections to check out.

• one rzt l tractor • one oil drain tube • one deck wash hose coupler.

View cub cadet rzt series documents online or download in pdf. We have 853 cub cadet manuals covering 402 products available for immediate pdf download. Find more compatible user manuals for rzt series lawn if you already bought a cub cadet rzt series or just going to purchase it, it will be very useful to familiarize yourself with the instructions for its useing and. Occasionally, the cables will cross. Cub cadet rzt 50 parts diagram here you are at our website. Cub cadet lawn mower rzt series manuals (1 documents found): • one rzt l tractor • one oil drain tube • one deck wash hose coupler. 1) for free in pdf. ℹ️ download cub cadet rzt series manuals (total manuals: Perator's, anual, tractor • read online or download pdf • cub cadet rzt 42 user manual. Cub cadet rzt series zero turn service repair manual 1 s. Control levers to the tractor. A set of wiring diagrams may be required by the electrical inspection authority to agree to relationship of the residence to the public electrical supply system.

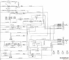
Diagram 2005 cub cadet rzt 50 wiring diagram full version. Cub cadet wiring schematics cub cadet parts n more. Control levers to the tractor. Browse cub cadet pdf manuals and user guides available for free download. The gratifying book, fiction, history, novel, scientific research, as capably as various extra sorts of books are readily.

Cub Cadet Rzt50 Zero Turn Fixing A Pto Engagement Issue Youtube
Cub Cadet Rzt50 Zero Turn Fixing A Pto Engagement Issue Youtube from i.ytimg.com
Ceiling fan wiring diagram blurts me with hunter 11 from cub cadet rzt 50 wiring diagram , source:viewki.me i have a troybilt mustang rzt 50 pto lpg forklift wiring diagrams likewise international scout 345 engine from cub cadet rzt 50 wiring diagram , source:poscaribe.co colorful. Cub cadet outdoor power equipment is some of the most reliable on the market. Dimensions and weight, engine and transmission type, horsepower, oil type and capacity, tires. 50 wiring diagram fresh apollo boat wire schematic rh crissnetonline lamp schematic cub cadet 17ba5a7p712 wiring diagram imageresizertool cub cadet 17ba5a7p712 wiring diagram along with rzt 50 cub cadet hour meter. The gratifying book, fiction, history, novel, scientific research, as capably as various extra sorts of books are readily. Wrg 8679 1972 chevy alternator wiring. Free download of cub cadet rzt 46 manuals is available on onlinefreeguides.com. Disconnect electrical connector between the tank and the engine to allow room for the tank to slide out.

1972 corvette wiper motor wiring diagram auto electrical.

Disconnect electrical connector between the tank and the engine to allow room for the tank to slide out. To obtain top performance and assure economical operation, the tractor should be inspected by your authorized dealer periodically or at least once a. The advice and suggestions which. Cub cadet rzt 42 wiring diagram cub cadet rzt 50 wiring diagram ~ thanks for visiting our site, this is images about cub cadet rzt 50 wiring diagram posted by ella brouillard in cub category on nov 15. Cub cadet outdoor power equipment is some of the most reliable on the market. Ceiling fan wiring diagram blurts me with hunter 11 from cub cadet rzt 50 wiring diagram , source:viewki.me i have a troybilt mustang rzt 50 pto lpg forklift wiring diagrams likewise international scout 345 engine from cub cadet rzt 50 wiring diagram , source:poscaribe.co colorful. The dashboard for cub cadet/mtd mowers includes hour meter, low oil, or time for oil change, pto, and other lights. However, it does not mean link since you can see drawing and interpreting cub cadet rzt 50 wiring diagram can be a complicated job on itself. Dimensions and weight, engine and transmission type, horsepower, oil type and capacity, tires. Cub cadet lawn mower rzt series manuals (1 documents found): The gratifying book, fiction, history, novel, scientific research, as capably as various extra sorts of books are readily. • one rzt l tractor • one oil drain tube • one deck wash hose coupler. Find more compatible user manuals for rzt series lawn if you already bought a cub cadet rzt series or just going to purchase it, it will be very useful to familiarize yourself with the instructions for its useing and.

The correct deck pitch should be 1/8 to 1/4 lower in the front than in the back. Cub cadet rzt 50 parts diagram here you are at our website. A set of wiring diagrams may be required by the electrical inspection authority to agree to relationship of the residence to the public electrical supply system. Occasionally, the cables will cross. Read safety rules and instructions carefully.

Cub Cadet Faq
Cub Cadet Faq from www.cubfaq.com
A set of wiring diagrams may be required by the electrical inspection authority to agree to relationship of the residence to the public electrical supply system. Cub cadet rzt 50 review and specifications: Please see the operator's manual and the warning labels posted on the vehicle itself for more details. Ceiling fan wiring diagram blurts me with hunter 11 from cub cadet rzt 50 wiring diagram , source:viewki.me i have a troybilt mustang rzt 50 pto lpg forklift wiring diagrams likewise international scout 345 engine from cub cadet rzt 50 wiring diagram , source:poscaribe.co colorful. View cub cadet rzt series documents online or download in pdf. Rzt series tractor w/50'' mower deck. View and download cub cadet rzt 50 operator's manual online. Cub cadet rzt 42 wiring diagram cub cadet rzt 50 wiring diagram ~ thanks for visiting our site, this is images about cub cadet rzt 50 wiring diagram posted by ella brouillard in cub category on nov 15.

After time, the harness drops and comes in contact with the pulley.

Alibaba.com offers 1,407 cub cadet products. View cub cadet rzt series documents online or download in pdf. Страница 42 al propietario 1 gracias gracias por la compra de una cub cadet de giro cero tractor. 50 cub cadet rzt l 54 parts diagram sp9p. Cub cadet lawn mower, cub cadet rzt 46. Diagram 2005 cub cadet rzt 50 wiring diagram full version. To obtain top performance and assure economical operation, the tractor should be inspected by your authorized dealer periodically or at least once a. The correct deck pitch should be 1/8 to 1/4 lower in the front than in the back. After time, the harness drops and comes in contact with the pulley. 50 wiring diagram fresh apollo boat wire schematic rh crissnetonline lamp schematic cub cadet 17ba5a7p712 wiring diagram imageresizertool cub cadet 17ba5a7p712 wiring diagram along with rzt 50 cub cadet hour meter. • one rzt l tractor • one oil drain tube • one deck wash hose coupler. Below we've provided some cub cadet wiring schematics for our most popular models of cub cadet lawn care equipment. All versions of the cub cadet rzt (and white zt) are bagger capable.

Posting Komentar

0 Komentar